Наша серія RCS за допомогою професійного дизайну та технічного виробництва відповідає різноманітним потребам ущільнювачів ущільнювачів поршня, забезпечуючи точні рішення від загальних сценаріїв до крайніх умов праці.
З точки зору структурної конструкції, основні моделі зосереджені на стабільності та простоті використання: RCS101/103 підвищує вбудовування стабільності за допомогою попередніх ущільнювальних кілець або допоміжних губ, особливо для коротких штрихів; RCS102/104R/117R підтримує більш високий тиск, оптимізуючи сумісність матеріалу та канавку (наприклад, RCS102R для стандартних сценаріїв високого тиску). Для пневматичних систем RCS105/205 приймає спеціальну конструкцію губ для підтримки мастильної масляної плівки та адаптації до середовищ змащування/не розмивання.
Ruichen Seals також фокусується на матеріальних та функціональних інноваціях. Такі моделі, як RCS118/119/124-129, використовують політетрафтореетилен (ПТФЕ) або поліуретан як основне тіло, поєднане з пружинами Мандера або О-кільцям для балансу, для досягнення низької тертя, антигранного зносу та корозійної стійкості, задоволення чистоти та високотемпературних вимог до хімічних речовин та харчових продуктів. RCS129 може утворювати систему герметизації з RCS101, яка підходить для пішохідних машин та важкого гідравлічного обладнання; RCS126-128 оптимізує герметизацію низького тиску за допомогою асиметричної конструкції V-Piece і налаштована для фармацевтичної та хімічної промисловості.
Для складних умов праці RCS120/138 та інші ущільнювачі подвійної дії мають інтегровану конструкцію опорного кільця, стійкий до високого тиску та спотворення та адаптується до компактних канавок; RCS131-це замінник ущільнювача, яка є стійкою до екструзії, і хімічної стійкості, і став кращим вибором для харчової та фармацевтичної промисловості. І RCS116/216 можуть швидко відремонтувати старі циліндри за допомогою встановлення кріплення, щоб зменшити витрати на простою.
Серія RCS допомагає клієнтам впоратися з високим тиском, високою швидкістю, корозійними засобами масової інформації та спеціальними проблемами галузі та підвищити надійність обладнання та життя.
Особливості та додатки продукту:
Поршневі ущільнювачі ущільнювачі придатні для гідравлічних циліндрів та циліндрів, інженерних транспортних засобів, сільськогосподарських машин, кранів та морського гідравлічного обладнання, верстатів.
Використовується в важких промислових машинах, пресах, хімічній промисловості, балонах швидких нафти та харчової промисловості для позиціонування, фармацевтичної промисловості.
Переваги
Ущільнювачі ущільнювачі ущільнювача поршня вкладені в канавку стабільно, з широким температурним діапазоном, відмінними статичними та динамічними ущільнювальними показниками та сильною здатністю до відновлення нафти в динамічних умовах. Низьке тертя, без повзучості, висока стійкість до зносу, низькі статичні та тертя, лише хороші анти-екст'юзовані продуктивність, хороша теплопровідність та широкий температурний діапазон.
Підходить для старих поршневих стрижнів, відкритий тип легко встановити повзучий.

RCS101
Розмір замовлення
Φd ...... Зовнішній діаметр
Φd ...... Внутрішній діаметр
L ...... Ширина канавка
| Поверхнева обробка | R tmax (мкм) | РА (мкм) |
| Ковзаючі ущільнювачі гумові/поліуретанові ущільнювачі Ковзаюча поверхня, що відповідає ущільнювачам PTFE | ≤2,5 ≤2 | ≤0,1-0,5 ≤0,05-0,3 |
| Дно канавки Бік | ≤6,3 ≤15 | ≤1,6 ≤3 |
| Співвідношення довжини підтримки профілю ТП | 50%-95% |
|
| Толерантність | |
| Φd | F8 |
| Φd | H10 |
Приклад замовлення
Модель: RCS101
Розмір канавки: 100x115x10
Матеріал: RC-PU-H

Тип ущільнення: RCS101, RCS102, RCS103, RCS104, RCS205, RCS106, RCS107, RCS108, RCS117, RCS121
Основне застосування: підходить для гідравлічних та пневматичних циліндрів
Переваги: стабільне вбудовування в канавку, широкий температурний діапазон, відмінні статичні та динамічні ущільнювальні показники, сильна здатність до вилучення залишків у динамічних умовах.
Матеріал: поліуретан, гума
| Приклади ущільнення | Нижче наведено стандартні розміри канавки (пилові ущільнювачі будь -якого розміру в межах діапазону розмірів) | ||||||||
![]() |
![]() |
Φd | Φd | L | C/S | Максимальна розрив екструзії | |||
| 100BAR | 250BAR | 400BAR | |||||||
| 5-24.9 | Φd+8 | 6.3 | 4 | 0.50 | 0.35 | 0.25 | |||
| 25-49.9 | Φd+10 | 8 | 5 | 0.50 | 0.35 | 0.25 | |||
| 50-149,9 | Φd+15 | 10 | 7.5 | 0.50 | 0.35 | 0.25 | |||
| 150-229,9 | Φd+20 | 14 | 10 | 0.50 | 0.35 | 0.25 | |||
| 300-499.9 | Φd+25 | 17 | 12.5 | 0.50 | 0.35 | 0.25 | |||
| 500-699,9 | Φd+30 | 25 | 15 | 0.50 | 0.35 | 0.25 | |||
| > 700 | Φd+40 | 32 | 20 | 0.60 | 0.40 | 0.30 | |||
| > 1000 | Φd+50 | 40 | 25 | 0.70 | 0.50 | 0.40 | |||

RCS109
Розмір замовлення
Φd ...... Зовнішній діаметр
Φd ...... Внутрішній діаметр
L ...... Ширина канавка
|
Поверхнева обробка |
R tmax (мкм) |
РА (мкм) |
|
Ковзаючі ущільнювачі гумові/поліуретанові ущільнювачі Ковзаюча поверхня, що відповідає ущільнювачам PTFE |
≤2,5
≤2 |
≤0,1-0,5
≤0,05-0,3 |
|
Дно канавки Бік |
≤6,3 ≤15 |
≤1,6 ≤3 |
|
Співвідношення довжини підтримки профілю ТП |
50%-95% |
|
|
Толерантність |
|
|
Φd |
F8 |
|
Φd |
H10 |
Приклад замовлення
Модель: RCS109
Розмір канавки: 100x115.1x6.3
Матеріал: PTFE3+NBR

Тип ущільнення: RCS109
Основне застосування: інженерні транспортні засоби, сільськогосподарська техніка, крани, морське гідравлічне обладнання, верстат.
Переваги: низьке тертя, без повзучості, висока стійкість до зносу, лише хороші антиекстрійні показники, хороша теплопровідність, стабільна пазу вбудовування, широкий діапазон температури.
Матеріал: тетрафторетилен, нітрилова гума або фтор -гума
|
Приклади ущільнення |
Нижче наведено стандартні розміри канавки (пилові ущільнювачі будь -якого розміру в межах діапазону розмірів) |
||||||||
|
|
|
Φd |
Φd |
L |
C/S |
Максимальна розрив екструзії |
|||
|
100BAR |
200BAR |
400BAR |
|||||||
|
5-7,9 |
Φd+4,9 |
2.2 |
2.45 |
0.30 |
0.20 |
0.15 |
|||
|
8-18.9 |
Φd+7.3 |
3.2 |
3.64 |
0.40 |
0.25 |
0.15 |
|||
|
19-37.9 |
Φd+10,7 |
4.2 |
5.35 |
0.40 |
0.25 |
0.20 |
|||
|
38-199,9 |
Φd+15.1 |
6.3 |
7.55 |
0.50 |
0.30 |
0.20 |
|||
|
200-255.9 |
Φd+20.5 |
8.1 |
10.25 |
0.60 |
0.35 |
0.25 |
|||
|
256-649.9 |
Φd+24 |
8.1 |
12 |
0.60 |
0.35 |
0.25 |
|||
|
650-1000 |
Φd+27.3 |
9.5 |
13.65 |
0.70 |
0.50 |
0.30 |
|||
|
> 1000 |
Φd+38 |
13.8 |
19 |
1.00 |
0.70 |
0.50 |
|||

RCS110-112
Розмір замовлення
Φd ...... Зовнішній діаметр
Φd ...... Внутрішній діаметр
L ...... Ширина канавка
|
Поверхнева обробка |
R tmax (мкм) |
РА (мкм) |
|
Ковзаючі ущільнювачі гумові/поліуретанові ущільнювачі Ковзаюча поверхня, що відповідає ущільнювачам PTFE |
≤2,5
≤2 |
≤0,1-0,5
≤0,05-0,3 |
|
Дно канавки Бік |
≤6,3 ≤15 |
≤1,6 ≤3 |
|
Співвідношення довжини підтримки профілю ТП |
50%-95% |
|
|
Толерантність |
|
|
Φd |
F8 |
|
Φd |
H10 |
Приклад замовлення
Модель: RCS110-112
Розмір канавки: 100x120x32
Матеріал: RC-PU-H+POM

Тип ущільнення: RCS110-112, RCS126-128
Основне застосування: Для важких промислових машин, преси
Переваги: підходить для старих поршневих стрижнів, відкритий тип простий у встановленні Creeper
Матеріал: поліуретан, поліоксиметилен, нейлон
|
Приклади ущільнення |
Нижче наведено стандартні розміри канавки (пилові ущільнювачі будь -якого розміру в межах діапазону розмірів) |
|||||
|
|
|
Φd |
Φd |
L |
C/S |
|
|
10-39.9 |
Φd+10 |
16 |
5 |
|||
|
40-74.9 |
Φd+15 |
25 |
7.5 |
|||
|
75-149.9 |
Φd+20 |
32 |
10 |
|||
|
150-199,9 |
Φd+25 |
40 |
12.5 |
|||
|
200-299,9 |
Φd+30 |
50 |
15 |
|||
|
300-599.9 |
Φd+40 |
63 |
20 |
|||
|
> 600 |
Φd+40 |
80 |
20 |
|||
|
> 1000 |
Φd+50 |
100 |
25 |
|||

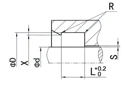
RCS119
Розмір замовлення
Φd ...... Зовнішній діаметр
Φd ...... Внутрішній діаметр
L ...... Ширина канавка
|
Поверхнева обробка |
R tmax (мкм) |
РА (мкм) |
|
Ковзаючі ущільнювачі гумові/поліуретанові ущільнювачі Ковзаюча поверхня, що відповідає ущільнювачам PTFE |
≤2,5
≤2 |
≤0,1-0,5
≤0,05-0,3 |
|
Дно канавки Бік |
≤6,3 ≤15 |
≤1,6 ≤3 |
|
Співвідношення довжини підтримки профілю ТП |
50%-95% |
|
|
Толерантність |
|
|
Φd |
F8 |
|
Φd |
H10 |
Приклад замовлення
Модель: RCS119
Розмір канавки: 100x109.4x7.1
Матеріал: PTFE2+NBR

Тип ущільнення: RCS119
Основне застосування: хімічна промисловість, швидкі циліндри та машини для позиціонування. Харчова промисловість, фармацевтична промисловість.
Переваги: стійкий до високих температур та різних хімічних середовищ, коефіцієнт низького тертя, без повзучості, хороші характеристики сухого тертя, низькі статичні та тертя.
Матеріал: PTFE+Листова пружина
|
Приклади ущільнення |
Нижче наведено стандартні розміри канавки (пилові ущільнювачі будь -якого розміру в межах діапазону розмірів) |
|||||||||
|
|
|
Φd |
Φd |
L |
R |
X |
Максимальна розрив екструзії |
|||
|
100BAR |
200BAR |
400BAR |
||||||||
|
10-19.9 |
D+4,5 |
3.6 |
0.4 |
0.6 |
0.15 |
0.10 |
0.07 |
|||
|
20-39.9 |
D+6.2 |
4.8 |
0.6 |
0.7 |
0.20 |
0.15 |
0.08 |
|||
|
40-119,9 |
D+9.4 |
7.1 |
0.8 |
0.8 |
0.25 |
0.20 |
0.10 |
|||
|
120-1000 |
D+12.2 |
9.5 |
0.8 |
0.9 |
0.30 |
0.25 |
0.12 |
|||
|
> 1000 |
D+19.0 |
15 |
0.8 |
0.9 |
0.50 |
0.40 |
0.20 |
|||



















































































Адреса
No.1 Ruichen Road, Dongliuting Industrial Park, Chengyang District, Qingdao City, Shandong Province, China
Тел
Електронна пошта