Наш елемент для ущільнення високого тиску має багатий різноманітність типів.
Опорне кільце є важливим основним компонентом гідравлічного циліндра. Ruichen Seal успішно розробив, підкріплений тканиною фенольним кільцем (ремінь), щоб відповідати розвитку міжнародного розсувного кільця комбінованого ущільнення та м'якої опорної структури. Після років практики якість перевищує якість подібних іноземних продуктів і була добре сприйнята користувачами. Таблиця продуктивності може бути використана для довідки.
Що стосується направляючого ременя, армований ремінь направляючого політетраетилену RC1081 додає бронзового порошку до ПТФЕ тощо, з високим навантаженням, низьким зносом, низьким тертям та без повзучих характеристик; RC1082, підкріплений тканиною, фенольний пояс направляючого ременя приймає фенольний матеріал, підкріплений тканиною, а його радіальна вантажопідйомність краща, ніж у пояса PTFE. Обидва постачаються в рулонах, які легко вирізати та встановити, і можуть уникнути металевого контакту. Кільця RCS та RCT -посібники використовуються відповідно для поршневого стрижня та поршня.
Стійкі зношування кільця мають функцію точно керувати поршневим або поршневим стрижнем у гідравлічному циліндрі та поглинанням променевої сили, що може запобігти контакту металу. Порівняно з металевими кільцями зносу, неметалічні кільця зносу мають переваги стійкості до зносу, уникнення контакту з металу, придушення вібрації, що дозволяє більший радіальний зазор, прості канавки та прості установки та низькі витрати на обслуговування. Вони широко використовуються. Серед них фенольні та PTFE-кілецьні кільця з фенольними та PTFE доступні у види різання та готових до використання.
З точки зору направляючих рукавів, GFAI використовується для поршневих стрижнів, з опорними, керівними та пилозахисними функціями; GFI також використовується для поршневих стрижнів, відіграючи допоміжну та керівну роль; GFA використовується для поршнів, що забезпечує підтримку та керівництво. Ці продукти допомагають гідравлічним циліндрам стабільно працювати у всіх аспектах.
Особливості та додатки продукту:
Приклад замовлення:
ПРИКЛАД ПРАВИЛЬНОГО ЗАМОВЛЕННЯ PTFE RC1081-9.7X2.5
Приклад замовлення стрічки фенольної тканини RC1082-9.7x2.5
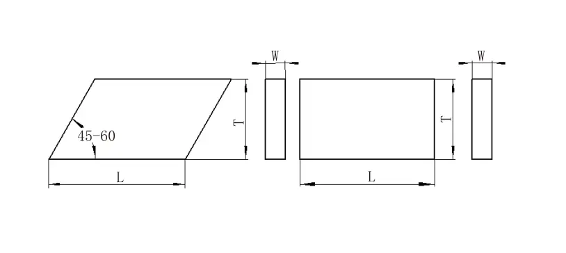
Розрахунок довжини різання
Для валу: L = 3,1 (D+W) для отвору: L = 3,1 (D-W)
L --- довжина кільця d --- діаметр вала d --- діаметр отвору w --- товщина кільця z --- вирізаний зазор
Путівник рукава gfai
1. Продуктивність та використання: путівник gfai - це путівник рукава поршневого стрижня, який підтримує та керує поршневим стрижнем і має пилозахисну функцію.
2. Матеріал: Nylon PA, Polyoxymethlene Pom та політетрафторетилен PTFE.
3. Умови праці: робоча температура: -55 ~+225 ℃ (PTFE використовується вище 120 ℃).
4. Стандарт дизайну: під час проектування та вибору, зверніться до серії FAI голодної компанії.
5. Метод маркування та замовлення: Путівник gfai позначений номером замовлення, приклад: gfai-0600ptfe
Путівник gfi
1. Продуктивність та використання: путівник gfi - це путівник рукава для поршневого стрижня, який підтримує та керує поршневим стрижнем.
2. Матеріал: Nylon PA, Polyoxymethlene Pom та політетрафторетилен PTFE.
3. Умови праці: робоча температура: -55 ~+255 ℃ (PTFE використовується вище 120 ℃)
4. Стандарт дизайну: під час проектування та вибору, див. Серію FI Hunger.
.
Путівник gfa
1. Продуктивність та використання: путівник GFA - це путівник рукава для поршня, який підтримує та керує поршнем.
2. Матеріал: Nylon PA, Polyoxymethlene Pom та політетрафторетилен PTFE.
3. Умови праці: робоча температура: -55 ~+255 ℃ (PTFE використовується вище 120 ℃)
4. Стандарт дизайну: під час проектування та вибору, див. Серію FA Hunger.
5. Метод позначення та замовлення: Путівник GFA позначений номером замовлення, приклад: GFA-0560PA
6. Структурний пристрій:
Технічні умови:
| Модель | Ширина канавка H+0,2 |
Товщина T - 0,05 |
Товщина t T - 0,05 |
Товщина T - 0,05 |
Товщина T - 0,05 |
Товщина T - 0,05 |
| RC1081/1082-4.2 | 4.2 | 1 | 1.55 | 2 | 2.5 | - |
| RC1081/1082-5.6 | 5.6 | 1.55 | 2 | 2.5 | - | - |
| RC1081/1082-6.3 | 6.3 | 1.55 | 2 | 2.5 | - | - |
| RC1081/1082-8.1 | 8.1 | 1.55 | 2 | 2.5 | - | - |
| RC1081/1082-9.7 | 9.7 | 2 | 2.5 | 3 | 3.5 | 4 |
| RC1081/1082-12.7 | 12.7 | 2 | 2.5 | 3 | 3.5 | 4 |
| RC1081/1082-15 | 15 | 2 | 2.5 | 3 | 3.5 | 4 |
| RC1081/1082-20 | 20 | 2 | 2.5 | 3 | 3.5 | 4 |
| RC1081/1082-25 | 25 | 2 | 2.5 | 3 | 3.5 | 4 |
| RC1081/1082-30 | 30 | 2 | 2.5 | 3 | 3.5 | 4 |
| RC1081/1082-35 | 35 | 2 | 2.5 | 3 | 3.5 | 4 |
| Примітка. Серія BOLD FACH - це загальноприйнята серія. Якщо необхідний продукт у цій таблиці, будь ласка, зв'яжіться з нами. | ||||||
Зареєстроване тканиною фенольне опорне кільце (ремінь)
Опорне кільце є важливим основним компонентом гідравлічного циліндра. Для того, щоб адаптуватися до розвитку ковзаючого кільця комбінованих тюленів та м'яких підшипників у світі, наша компанія успішно розробила фенольні підтримуючі кілець (ремені). Роки фактичного використання показали, що цей продукт досяг або перевищення рівня якості подібних іноземних продуктів і його широко оцінюють користувачі. Таблиці 1 - 4 - це таблиці продуктивності кілець підтримки (ременів), вироблених нашою компанією.
Таблиця 1 Порівняння фізичних властивостей нашого кільця для підтримки та продуктів Busak+Shamba
| Джерело зразка | Підтримуйте товщину кільця (мм) | Міцність на стиск (MPA) | Швидкість зміни ваги стійкості до масла гідравлічна олія (70 ± 2 ℃*24h) | Порушення сили (MPA) | Міжшарова адгезія (Kn/m) |
| Мода+Шамба | 2.48 | 338.9 | 2.83 | 35.6 | 1.2 |
| Наша продукція | 2.48 | 425 | 0.90 | 37.0 | 2.9 |
| 2,48 (з графітом) | 390 | 0.63 | 36.4 | 2.08 |
| Тип зразка | Наша продукція | Oricot tlg ① | DURATEC900 ① | Turcite47 ② | MT64/5b | Nokwr (день) | Поліоксиметилен | Кіт (США) | |
| Вимірюване значення | Необхідні показники | ||||||||
| Міцність на стиск (MPA) | ≥350 | ≥330 | ≥350 | ≥280 | ≥50 | ≥270 | ≥150 | ≥80 | ≥217 |
| Тип зразка | Наша продукція | Oricot tlg ① | DURATEC900 ① | Turcite47 ② | MT64/5b | Nokwr (день) | Поліоксиметилен | Кіт (США) | |
| Вимірюване значення | Необхідні показники | ||||||||
| Міцність на стиск (MPA) | ≥350 | ≥330 | ≥350 | ≥280 | ≥50 | ≥270 | - | ≥80 | ≥217 |
| Завантаження на одиницю довжини контакту W (н/мм) | Герц контактна реле ΔH (N/MM2) | Коефіцієнт тертя | |||
| Сухе стан тертя | Стан змащення нафти | ||||
| Наша продукція | Oricot tlg | Наша продукція | Oricot tlg | ||
| 5.9 | 22.0 | 0.054 | 0.066 | 0.057 | 0.079 |
| 29.0 | 48.7 | 0.052 | 0.067 | 0.056 | 0.081 |
| 44.4 | 60.3 | 0.045 | 0.071 | 0.055 | 0.088 |
| 59.8 | 69.8 | 0.021 | 0.073 | 0.053 | 0.087 |
| 75.2 | 78.3 | 0.020 | 0.075 | 0.052 | 0.085 |
| Матеріал | Ptfe+бронза |
| Постачання | Рулон (зазвичай близько 20 метрів/рулон) або вирізати на необхідну довжину |
| Переваги | 1. Низьке тертя, не повзуче і кусання; |
| 2. Може добре працювати навіть без достатнього змащення; | |
| 3. Стійкий до різноманітних середовищ, відмінна хімічна стабільність; | |
| 4. Можна вмістити жорсткі предмети, вбудовані в стійке для зносу кільця, щоб зменшити тверді предмети, що дряпають циліндр і ущільнювачів, тому в ситуаціях важких навантажень використовуйте кілька стійких до зносу кільця; | |
| 5. Він також має хорошу стійкість до зносу в швидкостійних та світло-навантажувальних ситуаціях, тому це найбільш широко використовуване кільце, стійке до зносу; | |
| 6. Без обмежень розміру, можна використовувати у ситуаціях великого діаметру. | |
| Температура | -60 ~+200 ℃ |
| Максимальна швидкість | 15м/с |
| Максимальна міцність екструзії | 15n/мм2 (20 °) |
| 7,5 н/мм2 (80 °) | |
| 5N/мм2 (120 °) |
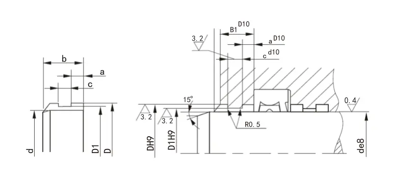
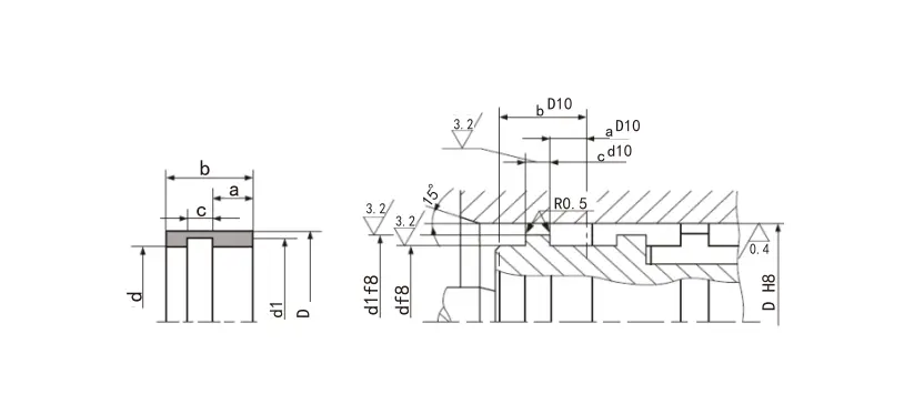
RCS неметалічне направляюче кільце для поршневого стрижня
RCT неметалічний посібник для поршня
Для поршня або поршня, що працює в гідравлічному циліндрі, кільце зносу має точний керівний ефект і може поглинати променеві сили. У той же час, кільце для зносу може запобігти контакту металевих ковзаючих деталей у гідравлічному циліндрі. У порівнянні з металевими кільцями зносу, неметалічні кільця зносу мають багато переваг. Серед них фенольні та PTFE-кілечні кільця, наявні тканини, доступні в типі різання на місці та готовому до використання типу.
1. Хороший опір зносу
2. Уникайте контакту металу до металу
3. Може придушити механічну вібрацію
4. Через центральний ефект стійкого для зносу кільця, допускається великий радіальний зазор
5. Газ простий і простий у встановленні
6. Низькі витрати на технічне обслуговування на основі вищезазначених переваг вона широко використовується
Матеріал:
1. PolytetrafluoRethlentles PTFE3 (загальний матеріал), PTFE4 (застосовується до середовища низької в'язкості, таких як вода), PTFE1 (вимоги до низького тертя, такі як пневматика)
2. Поліоксиметилен -помп або нейлоновий ПА та його модифіковані матеріали
3. Формальдегідна смола + арматура волокна prif
Таблиця порівняння навантажувальної ємності різних матеріалів (еталон)
| Матеріал | Максимальна ємність (N/MM2) |
| Мідний порошок, заповнений PTFE | 15 (20 ℃); 7,5 (80 ℃) 5 (120 ℃) |
| Фенольний порошок з тканиною | 90 (60 ℃); 40 (80 ℃) |
| Поліоксиметилен або нейлон | 25 (60 ℃); 15 (80 ℃) |
| Поліоксиметилен або нейлон | 40 (60 ℃); 30 (80 ℃) |
| Гладкість | RTMAX (мкм) | РА (мкм) |
| Ковзаюча поверхня | ≤2,5 | 0,05-0,3 |
| Дно канавки | ≤10 | ≤2 |
| Бік | ≤15 | ≤3 |
Серія специфікацій кільця поршня
| Діаметр стрижня | Нижній діаметр | Ширина канавка | Товщина | Розрив |
|
Діаметр стрижня | Нижній діаметр | Ширина канавка | Товщина | Розрив |
| D F8/H9 | D H8 | L+0.2 | W | Z | D F8/H9 | D H8 | L+0.2 | W | Z | |
| 8-20 | D+3.1 | 2.5 | 1.55 | 1-2 | 200-999,9 | D+5 | 25 | 2.5 | 8-33 | |
| 10-50 | D+3.1 | 4 | 1.55 | 1-3 | 1000-4200 | D+5 | 25 | 2.5 | 33-134 | |
| 15-140 | D+5 | 5.6 | 2.5 | 2-5 | 280-999,9 | D+8 | 25 | 4 | 10-33 | |
| 20-220 | D+5 | 9.7 | 2.5 | 2-9 | 1000-2200 | D+8 | 25 | 4 | 33-70 | |
| 80-400 | D+5 | 15 | 2.5 | 4-15 |
|
|
|
|
|



























Адреса
No.1 Ruichen Road, Dongliuting Industrial Park, Chengyang District, Qingdao City, Shandong Province, China
Тел
Електронна пошта